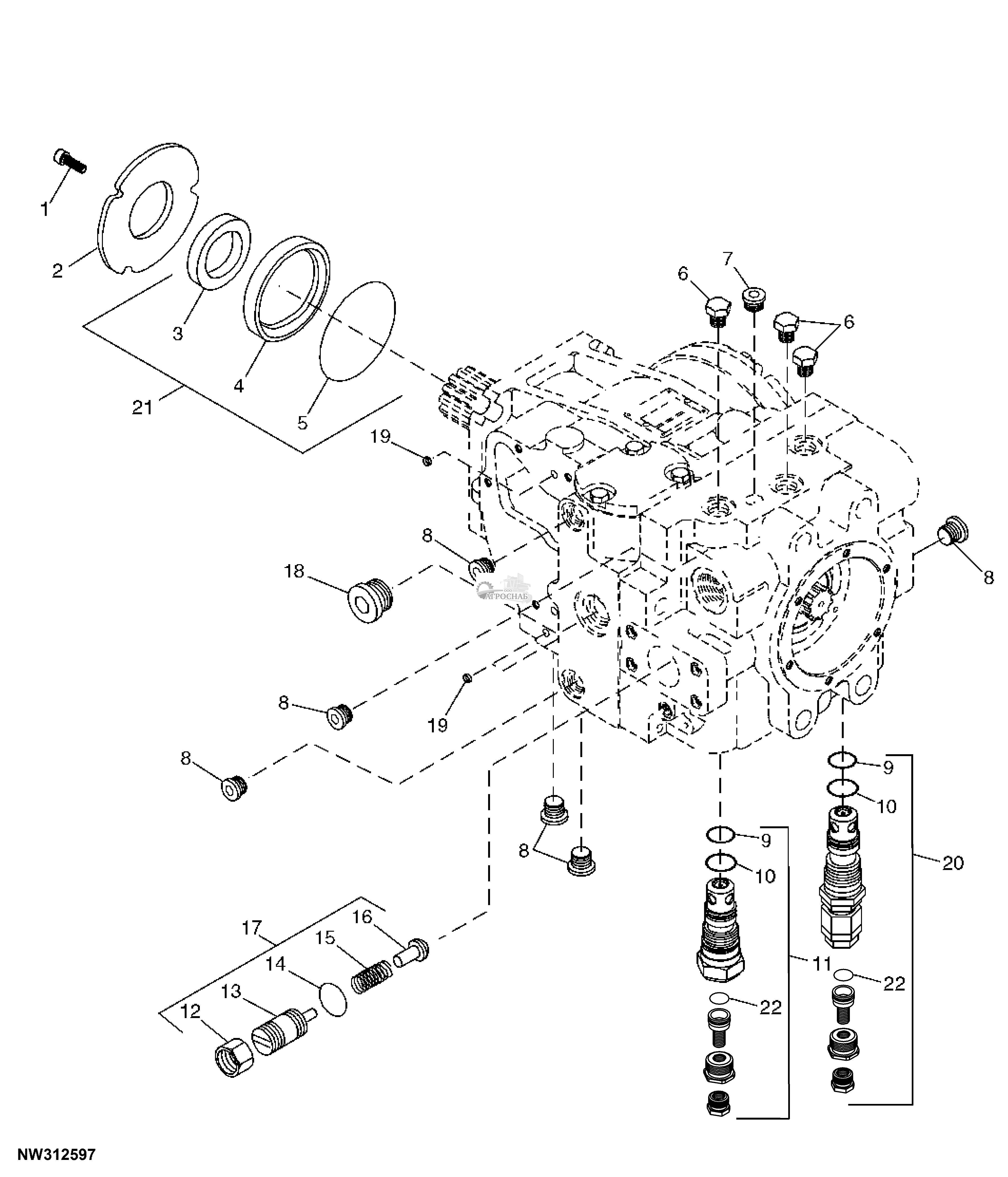
| key | PART NO. | PART NAME | QTY | SERIAL NO. | REMARKS | ||
|---|---|---|---|---|---|---|---|
| 1 | H170523 | Шайба | 1 | ||||
| 2 | T77613 | Уплотнительное кольцо | 10 | - | 055069 | ||
| 3 | 38H1212 | Фитинг переходника | 2 | - | 055069 | ||
| 4 | R26448 | Уплотнительное кольцо | 8 | ||||
| 5 | AN302299 | Жиклер | 2 | ||||
| 6 | AN302333 | Гидрошланг | 2 | ||||
| 7 | 38H1004 | Коленчатый патрубок | 7 | ||||
| 8 | AN303408 | Гидрошланг | 1 | ||||
| 9 | 24M7630 | Шайба | 1 | 6.400 X 17 X 3 mm | |||
| 10 | T176241 | Шайба | 1 | ||||
| key | PART NO. | PART NAME | QTY | SERIAL NO. | REMARKS | ||
| 11 | T176240 | Винт | 1 | ||||
| 12 | AN401054 | Насос | 1 | - | 055069 | ||
| AKK30314 | Насос | 1 | 055070 | - | |||
| 13 | AN303446 | Коленчатый патрубок | 1 | ||||
| 14 | 38H1309 | Фитинг переходника | 1 | ||||
| 15 | R28782 | Уплотнительное кольцо | 1 | ||||
| 16 | U13639 | Уплотнительное кольцо | 1 | ||||
| 17 | N311031 | Хомут | 1 | ||||
| 18 | 19H2898 | Винт с головкой | 1 | 1/2" X 1-1/4" | |||
| 19 | 12H301 | Стопорная шайба | 1 | 1/2" | |||
| key | PART NO. | PART NAME | QTY | SERIAL NO. | REMARKS | ||
| 20 | H122182 | Фланцевый фитинг | 4 | ||||
| 21 | 19H4018 | Винт с головкой | 8 | 7/16" X 1-3/4" | |||
| 22 | T78313 | Уплотнительное кольцо | 2 | ||||
| 23 | AN303409 | Гидрошланг | 1 | ||||
| 24 | AN401055 | Насос | 1 | - | 055069 | ||
| AKK30312 | Насос | 1 | 055070 | - | |||
| 25 | ...... | Шланг | 1 | CTL 800.1 mm, MFTY22563 | |||
| 26 | R53540 | Фитинг шланга | 1 | ||||
| 27 | U12547 | Уплотнительное кольцо | 1 | ||||
| 28 | R524513 | Шланговый зажим | 1 | ||||
| key | PART NO. | PART NAME | QTY | SERIAL NO. | REMARKS | ||
| 29 | AN302135 | Гидрошланг | 1 | ||||
| 30 | AN302134 | Гидрошланг | 1 | ||||
| 31 | N310987 | Шланговый зажим | 1 | ||||
| 32 | N203952 | Уплотнительное кольцо | 1 | ||||
| 33 | N402455 | Хомут | 1 | ||||
| 34 | 19M10323 | Винт с головкой | 3 | ||||
| 35 | 14M7721 | Стопорная гайка | 4 | M6 | |||
| 36 | 19M9832 | Винт | 1 | M6 X 25 | |||
| 37 | AN401337 | Рычажный механизм | 1 | ||||
| 38 | N402444 | Крепление со штифтом | 1 | ||||
| key | PART NO. | PART NAME | QTY | SERIAL NO. | REMARKS | ||
| 39 | N402458 | Втулка | 1 | ||||
| 40 | H170527 | Шайба | 1 | ||||
| 41 | AKK30313 | Насос | 1 | 055070 | - |
| key | PART NO. | PART NAME | QTY | SERIAL NO. | REMARKS | |
|---|---|---|---|---|---|---|
| 1 | AH75162 | Фитинг | 1 | |||
| 2 | R524513 | Шланговый зажим | 1 | |||
| 3 | N205212 | Всасывающий шланг | 1 | |||
| 4 | R29936 | Уплотнительное кольцо | 1 | |||
| 5 | ...... | Шланг | 1 | CTL 58”, MF TY22563 | ||
| 6 | AN205159 | Шланговый зажим | 1 | |||
| 7 | AH61472 | Фитинг шланга | 1 | |||
| 8 | U12547 | Уплотнительное кольцо | 1 | |||
| 9 | T78313 | Уплотнительное кольцо | 2 | |||
| 10 | AN302120 | Труба | 1 | |||
| key | PART NO. | PART NAME | QTY | SERIAL NO. | REMARKS | |
| 11 | H122182 | Фланцевый фитинг | 4 | |||
| 12 | 19H1740 | Винт с головкой | 8 | |||
| 13 | AN302121 | Труба | 1 | |||
| 14 | 38H1160 | Фитинг переходника | 2 | |||
| 15 | AN403278 | Гидрошланг | 2 | SUB FOR AN209944 | ||
| 16 | T77613 | Уплотнительное кольцо | 15 | |||
| 17 | R26448 | Уплотнительное кольцо | 3 | |||
| 18 | 38H1038 | Тройник | 2 | |||
| 19 | AN403259 | Гидрошланг | 1 | SUB FOR AN207126 | ||
| 20 | 38H1415 | Фитинг | 1 | |||
| key | PART NO. | PART NAME | QTY | SERIAL NO. | REMARKS | |
| 21 | 38H1023 | Тройник | 2 | |||
| 22 | AN403266 | Гидрошланг | 1 | SUB FOR AN207233 | ||
| 23 | T155574 | Жиклер | 2 | |||
| 24 | AN403262 | Гидрошланг | 1 | SUB FOR AN207232 | ||
| 25 | 38H1004 | Коленчатый патрубок | 1 | |||
| 26 | 38H1030 | Тройник | 1 | |||
| 27 | R77175 | Крышка | 1 | |||
| 28 | XPD361 | Диагностическая муфта | 1 | |||
| 29 | H173360 | Уплотнение | 2 | |||
| 30 | AN303230 | Опора | 1 | |||
| key | PART NO. | PART NAME | QTY | SERIAL NO. | REMARKS | |
| 31 | 19M9985 | Винт | 4 | |||
| 32 | 19M10089 | Винт | 2 | |||
| 33 | AM129013 | Изолятор | 2 | |||
| 34 | 24H1972 | Шайба | 2 | |||
| 35 | 14M7724 | Стопорная гайка | 2 | |||
| 36 | 14M7401 | Стопорная гайка | 4 | |||
| 37 | AN205073 | Фитинг | 1 | |||
| 38 | AN206439 | Изолятор | 1 | |||
| 39 | 24H1968 | Шайба | 4 |
| key | PART NO. | PART NAME | QTY | SERIAL NO. | REMARKS | |
|---|---|---|---|---|---|---|
| 1 | N370676 | Хомут | 1 | |||
| 2 | T78313 | Уплотнительное кольцо | 4 | |||
| 3 | XPD361 | Диагностическая муфта | 4 | |||
| 4 | R77175 | Крышка | 4 | |||
| 5 | AN403252 | Гидрошланг | 2 | (J) SUB FOR AN206899 | ||
| 6 | H114901 | Пластина | AR | |||
| 7 | H114898 | Скоба | AR | |||
| 8 | H140180 | Скоба | 22 | |||
| 9 | T76938 | Уплотнительное кольцо | 5 | |||
| 10 | AN302154 | Переходная втулка | 1 | |||
| key | PART NO. | PART NAME | QTY | SERIAL NO. | REMARKS | |
| 11 | AN206897 | Гидрошланг | 1 | (A) | ||
| AN206898 | Гидрошланг | 1 | (B) | |||
| AN403253 | Гидрошланг | 1 | (C) SUB FOR AN206900 | |||
| AN403254 | Гидрошланг | 1 | (D) SUB FOR AN206901 | |||
| 12 | AKK10992 | Гидрошланг | 1 | (E) | ||
| 13 | AN403260 | Гидрошланг | 1 | (F) SUB FOR AN302132 | ||
| AN403279 | Гидрошланг | 1 | (G) SUB FOR AN302133 | |||
| 14 | 19H1740 | Винт с головкой | 24 | 7/16" X 1-3/4" | ||
| 15 | H122182 | Фланцевый фитинг | 12 | |||
| 16 | AN302121 | Труба | 1 | (H) | ||
| key | PART NO. | PART NAME | QTY | SERIAL NO. | REMARKS | |
| AN302112 | Труба | 1 | (I) | |||
| 17 | R26448 | Уплотнительное кольцо | 4 | |||
| 18 | 38H1004 | Коленчатый патрубок | 4 | |||
| 19 | T77613 | Уплотнительное кольцо | 6 | |||
| 20 | AN302333 | Гидрошланг | 2 | |||
| 21 | N206224 | Жиклер | 2 | |||
| 22 | 19M9843 | Винт | 44 | M8 X 90 | ||
| 23 | 24H1452 | Шайба | 44 | 1-1/32" X 1-3/4" X 0.105" | ||
| 24 | E63525 | Гайка | 44 | |||
| 25 | 38H5095 | Гайка | 1 | 1-7/16" | ||
| key | PART NO. | PART NAME | QTY | SERIAL NO. | REMARKS | |
| 26 | 38H1098 | Коленчатый патрубок | 1 |
| key | PART NO. | PART NAME | QTY | SERIAL NO. | REMARKS | ||
|---|---|---|---|---|---|---|---|
| 1 | T77613 | Уплотнительное кольцо | 2 | ||||
| 2 | XPD361 | Диагностическая муфта | 2 | ||||
| 3 | R77175 | Крышка | 2 | ||||
| 4 | 38H1338 | Фитинг переходника | 1 | ||||
| 5 | AN403262 | Гидрошланг | 1 | Промывка правой задней части | |||
| 6 | AR46216 | Фитинг шланга | 1 | - | 055069 | ||
| AKK19355 | Коленчатый патрубок | 1 | 055070 | - | |||
| 7 | AN205159 | Шланговый зажим | 3 | ||||
| 8 | ...... | Шланг | 1 | CTL 4725 mm, MF TY22555 | |||
| 9 | T59014 | Уплотнительное кольцо | 2 | ||||
| key | PART NO. | PART NAME | QTY | SERIAL NO. | REMARKS | ||
| 10 | T107446 | Фланцевый фитинг | 4 | ||||
| 11 | AN303353 | Линия | 1 | - | 055069 | ||
| AKK16775 | Линия | 1 | 055070 | - | |||
| 12 | AN403252 | Гидрошланг | 1 | Передний ход правой ходовой части | |||
| 13 | AN209246 | Линия | 1 | Прав., задн. | |||
| 14 | AN403253 | Гидрошланг | 1 | Задний ход правого зад него ходового двигателя | |||
| 15 | H140180 | Скоба | 2 | ||||
| 16 | H114901 | Пластина | 1 | ||||
| 17 | H114898 | Скоба | 1 | ||||
| 18 | N221912 | Фитинг | 1 | ||||
| key | PART NO. | PART NAME | QTY | SERIAL NO. | REMARKS | ||
| 19 | ...... | Шланг | 1 | CTL 57", MF TY22563 | |||
| 20 | 38H1159 | Фитинг переходника | 1 | ||||
| 21 | T77814 | Уплотнительное кольцо | 3 | ||||
| 22 | R28782 | Уплотнительное кольцо | 2 | ||||
| 23 | 38H1093 | Коленчатый патрубок | 1 | ||||
| 24 | AN403267 | Гидрошланг | 1 | Правый задний стояночный тормоз | |||
| 25 | 38H1003 | Коленчатый патрубок | 1 | ||||
| 26 | AN403237 | Гидрошланг | 1 | ||||
| 27 | 19H4017 | Винт с головкой | 8 | 3/8" X 1-1/2" USE WITH AN303353 | |||
| 19M10310 | Винт с головкой | 8 | M10 X 35 USE WITH AKK16775 | ||||
| key | PART NO. | PART NAME | QTY | SERIAL NO. | REMARKS | ||
| 28 | N231749 | Шайба | 2 | ||||
| 29 | L36228 | Винт | 2 | ||||
| 30 | U12547 | Уплотнительное кольцо | 2 | USE WITH AR46216 | |||
| R26906 | Уплотнительное кольцо | 2 | USE WITH AKK19355 | ||||
| 31 | T77858 | Уплотнительное кольцо | 2 | ||||
| 32 | 38H1094 | Коленчатый патрубок | 1 | ||||
| 33 | ...... | Ограждение | 2 | CTL 915 mm, MF N305985 | |||
| 34 | H77698 | Обвязной хомут | 16 | ||||
| 35 | R524513 | Шланговый зажим | 1 | ||||
| 36 | AKK16776 | Линия | 1 | ||||
| key | PART NO. | PART NAME | QTY | SERIAL NO. | REMARKS | ||
| 37 | AKK19352 | Фитинг шланга | 1 | USE WITH AKK19355 |
| key | PART NO. | PART NAME | QTY | SERIAL NO. | REMARKS | |
|---|---|---|---|---|---|---|
| 1 | T77613 | Уплотнительное кольцо | 2 | |||
| 2 | XPD361 | Диагностическая муфта | 2 | |||
| 3 | R77175 | Крышка | 2 | |||
| 4 | 38H1159 | Фитинг переходника | 1 | |||
| 5 | T77814 | Уплотнительное кольцо | 3 | |||
| 6 | R28782 | Уплотнительное кольцо | 2 | |||
| 7 | 38H1093 | Коленчатый патрубок | 1 | |||
| 8 | 38H1338 | Фитинг переходника | 1 | |||
| 9 | T59014 | Уплотнительное кольцо | 2 | |||
| 10 | T107446 | Фланцевый фитинг | 4 | |||
| key | PART NO. | PART NAME | QTY | SERIAL NO. | REMARKS | |
| 11 | AN206901 | Гидрошланг | 1 | Левая сторона, передняя часть | ||
| 12 | H140180 | Скоба | 2 | |||
| 13 | H114898 | Скоба | 1 | |||
| 14 | H114901 | Пластина | 1 | |||
| 15 | AN403252 | Гидрошланг | 1 | Передний ход левого заднего ход ового двигателя SUB FOR AN206899 | ||
| 16 | AN209247 | Линия | 1 | Левая сторона, передняя часть | ||
| 17 | AR46216 | Фитинг шланга | 1 | |||
| 18 | AN403266 | Гидрошланг | 1 | Промывка левой задней части SUB FOR AN207233 | ||
| 19 | AN403269 | Гидрошланг | 1 | Левый задний стояночный тормоз SUB FOR AN207944 | ||
| 20 | AN403237 | Гидрошланг | 1 | SUB FOR AN205213 | ||
| key | PART NO. | PART NAME | QTY | SERIAL NO. | REMARKS | |
| 21 | 38H1003 | Коленчатый патрубок | 1 | |||
| 22 | 19H2633 | Винт с головкой | 8 | 3/8" X 1-1/2" | ||
| 23 | R524513 | Шланговый зажим | 1 | |||
| 24 | ...... | Шланг | 1 | CTL 5740 mm, MF TY22555 | ||
| 25 | N231749 | Шайба | 2 | |||
| 26 | L36228 | Винт | 2 | |||
| 27 | U12547 | Уплотнительное кольцо | 2 | |||
| 28 | T77858 | Уплотнительное кольцо | 1 | |||
| 29 | 38H1094 | Коленчатый патрубок | 1 | |||
| 30 | ...... | Ограждение | 2 | CTL 915 mm, MF N305985 | ||
| key | PART NO. | PART NAME | QTY | SERIAL NO. | REMARKS | |
| 31 | H77698 | Обвязной хомут | 16 |
| key | PART NO. | PART NAME | QTY | SERIAL NO. | REMARKS | ||
|---|---|---|---|---|---|---|---|
| 1 | T77858 | Уплотнительное кольцо | 2 | ||||
| 2 | T59014 | Уплотнительное кольцо | 2 | ||||
| 3 | AR46216 | Фитинг шланга | 1 | ||||
| 4 | AN205159 | Шланговый зажим | 1 | ||||
| 5 | ...... | Шланг | 1 | CTL 5080 mm, MF TY22555 | |||
| 6 | T107446 | Фланцевый фитинг | 4 | ||||
| 7 | AN303353 | Линия | 1 | - | 055069 | ||
| AKK16775 | Линия | 1 | 055070 | - | |||
| 8 | AKK10992 | Гидрошланг | 1 | SUB FOR AN206896 | |||
| 9 | AN209246 | Линия | 1 | ||||
| key | PART NO. | PART NAME | QTY | SERIAL NO. | REMARKS | ||
| 10 | AN206898 | Гидрошланг | 1 | ||||
| 11 | H140180 | Скоба | 1 | ||||
| 12 | H114901 | Пластина | 1 | ||||
| 13 | H114898 | Скоба | 1 | ||||
| 14 | N221912 | Фитинг | 1 | ||||
| 15 | 19H2633 | Винт с головкой | 8 | 3/8" X 1-1/2" | |||
| 16 | N231749 | Шайба | 2 | ||||
| 17 | L36228 | Винт | 2 | ||||
| 18 | U12547 | Уплотнительное кольцо | 1 | ||||
| 19 | ...... | Ограждение | 2 | CTL 915 mm, MF N305958 | |||
| key | PART NO. | PART NAME | QTY | SERIAL NO. | REMARKS | ||
| 20 | H77698 | Обвязной хомут | 16 | ||||
| 21 | R524513 | Шланговый зажим | 1 | ||||
| 22 | AKK16776 | Линия | 1 |
| key | PART NO. | PART NAME | QTY | SERIAL NO. | REMARKS | |
|---|---|---|---|---|---|---|
| 1 | T77858 | Уплотнительное кольцо | 1 | |||
| 2 | T59014 | Уплотнительное кольцо | 2 | |||
| 3 | T107446 | Фланцевый фитинг | 4 | |||
| 4 | AN206897 | Гидрошланг | 1 | |||
| 5 | H140180 | Скоба | 2 | |||
| 6 | AKK10992 | Гидрошланг | 1 | SUB FOR AN206896 | ||
| 7 | AN209247 | Линия | 1 | |||
| 8 | AR46216 | Фитинг шланга | 1 | |||
| 9 | R524513 | Шланговый зажим | 1 | |||
| 10 | ...... | Шланг | 1 | CTL 4955 mm, MF TY22555 | ||
| key | PART NO. | PART NAME | QTY | SERIAL NO. | REMARKS | |
| 11 | 19H2633 | Винт с головкой | 4 | 3/8" X 1-1/2" | ||
| 12 | N231749 | Шайба | 2 | |||
| 13 | L36228 | Винт | 2 | |||
| 14 | H114901 | Пластина | 1 | |||
| 15 | H114898 | Скоба | 1 | |||
| 16 | U12547 | Уплотнительное кольцо | 1 | |||
| 17 | ...... | Ограждение | 2 | CTL 915 mm, MF N305985 | ||
| 18 | H77698 | Обвязной хомут | 16 |
| key | PART NO. | PART NAME | QTY | SERIAL NO. | REMARKS | |
|---|---|---|---|---|---|---|
| 1 | N306880 | Клапан | 1 | |||
| 2 | ...... | Корпус | 1 | |||
| 3 | H63245 | Штифт | 2 | |||
| 4 | T158240 | Уплотнительное кольцо | 4 | |||
| 5 | T59014 | Уплотнительное кольцо | 2 | |||
| 6 | T155729 | Уплотнительное кольцо | 1 | |||
| 7 | AN208021 | Блок цилиндра | 1 | |||
| 8 | N306881 | Пластина | 1 | |||
| 9 | T162854 | Кольцо | 1 | |||
| 10 | T155757 | Уплотнительное кольцо | 1 | |||
| key | PART NO. | PART NAME | QTY | SERIAL NO. | REMARKS | |
| 11 | AN208022 | Поршень | 1 | |||
| 12 | ...... | Корпус | 1 | |||
| 13 | T54967 | Заглушка фитинга | 2 | |||
| 14 | T158240 | Уплотнительное кольцо | 3 | |||
| 15 | AT180814 | Заглушка | 2 | |||
| 16 | 19M8440 | Винт | 8 | M10 X 25 | ||
| 17 | T204291 | Прокладка | 1 | |||
| 18 | N306882 | Прокладка | 1 | |||
| 19 | M74877 | Заглушка | 2 | |||
| 20 | N203490 | Уплотнительное кольцо | 3 | |||
| key | PART NO. | PART NAME | QTY | SERIAL NO. | REMARKS | |
| 21 | AN401272 | Клапан | 1 | |||
| 22 | AT196462 | Узел сиденья | 2 | |||
| 23 | T176405 | Втулка | 1 | |||
| 24 | AN401404 | Ось | 1 | USE WITH AN206571 | ||
| AN208023 | Ось | 1 | USE WITH AN206572 | |||
| 25 | N401233 | Стопор | 1 | |||
| 26 | AT334513 | Сальник | 1 | |||
| 27 | T187896 | Уплотнительное кольцо | 1 | |||
| 28 | N306884 | Винт | 8 | |||
| 29 | N401232 | Пружинное кольцо | 2 | |||
| key | PART NO. | PART NAME | QTY | SERIAL NO. | REMARKS | |
| 30 | N306886 | Пружинное кольцо | 1 | |||
| 31 | N306887 | Прокладка | 1 | |||
| 32 | N306888 | Распорная втулка | 1 | |||
| 33 | AT195723 | Сальник | 1 | |||
| AT334513 | Сальник | 1 | ||||
| 34 | ...... | Корпус | 1 | |||
| 35 | AT301767 | Катушка эл/магн. клапана | 1 | |||
| AN207893 | Контрольный клапан | 1 | Shift Valve | |||
| 36 | AT184869 | Заглушка | 4 | |||
| 37 | T165535 | Уплотнительное кольцо | 4 | |||
| key | PART NO. | PART NAME | QTY | SERIAL NO. | REMARKS | |
| 38 | T214110 | Винт | 4 | |||
| 39 | AN208024 | Ось | 1 | |||
| 40 | N402383 | Штифт | 2 | |||
| 41 | AT319115 | Комплект колец поршня | 1 | |||
| 42 | T204283 | Колпачок | 1 | |||
| 43 | AT214510 | Жиклер | 2 | |||
| 44 | N306890 | Винт | 1 | |||
| 45 | T155723 | Гайка | 2 | |||
| 46 | AN208025 | Датчик скор. вращ. кол. | 1 | Used On Left Front Wheel Motor Only | ||
| 47 | T214111 | Винт | 1 | |||
| key | PART NO. | PART NAME | QTY | SERIAL NO. | REMARKS | |
| 48 | AN206571 | Гидравлический мотор | 1 | (A) ORDER AN208051 | ||
| AN208051 | Гидравлический мотор | 1 | (A) | |||
| AN206572 | Гидравлический мотор | 1 | (B) ORDER AN208052 | |||
| AN208052 | Гидравлический мотор | 1 | (B) | |||
| AN206573 | Гидравлический мотор | 1 | (C) ORDER AN208053 | |||
| AN208053 | Гидравлический мотор | 2 | (C) | |||
| 49 | CB01492735 | Винт | 1 | |||
| 50 | N402384 | Распорная втулка | 1 | |||
| 51 | 0051332774 | Уплотнительное кольцо | 1 | |||
| 52 | N401233 | Винт | 2 | |||
| key | PART NO. | PART NAME | QTY | SERIAL NO. | REMARKS | |
| 53 | AT334796 | Заглушка фитинга | 1 | |||
| 54 | N402387 | Распорная втулка | 1 |
| key | PART NO. | PART NAME | QTY | SERIAL NO. | REMARKS | |
|---|---|---|---|---|---|---|
| 1 | T285639 | Пружинное кольцо | 1 | |||
| 2 | AT334513 | Сальник | 1 | |||
| 3 | R28782 | Уплотнительное кольцо | 2 | |||
| 4 | ...... | Заглушка | 2 | (A) | ||
| 5 | ...... | Заглушка | 2 | (A) | ||
| 6 | AKK18765 | Клапан | 1 | |||
| 7 | ...... | Корпус | 1 | |||
| 8 | T346839 | Установочный штифт | 2 | |||
| 9 | KK28348 | Прокладка | 1 | |||
| 10 | ...... | Колпачок | 1 | (A) | ||
| key | PART NO. | PART NAME | QTY | SERIAL NO. | REMARKS | |
| 11 | R27166 | Уплотнительное кольцо | 1 | |||
| 12 | KK28349 | Датчик скор. вращ. кол. | 1 | USE WITH AKK16772 AND AKK16674 | ||
| AKK18769 | Датчик скор. вращ. кол. | 1 | USE WITH AKK16773 | |||
| 13 | T188306 | Болт | 1 | |||
| 14 | ...... | Ось | 1 | |||
| 15 | ...... | Блок цилиндра | 1 | |||
| 16 | N306881 | Пластина | 1 | |||
| 17 | KK28343 | Уплотнительное кольцо | 1 | |||
| 18 | AKK18766 | Катушка эл/магн. клапана | 1 | |||
| 19 | ...... | Заглушка | 1 | (B) | ||
| key | PART NO. | PART NAME | QTY | SERIAL NO. | REMARKS | |
| 20 | ...... | Винт | 1 | (B) | ||
| 21 | ...... | Комплект вала | 1 | |||
| 22 | AKK18768 | Поршень | 1 | |||
| 23 | ...... | Пружина | 2 | (B) | ||
| 24 | KK28350 | Уплотнительное кольцо | 3 | |||
| 25 | ...... | Комплект крышек | 3 | (B) | ||
| 26 | T155757 | Уплотнительное кольцо | 1 | |||
| 27 | T162854 | Кольцо | 1 | |||
| 28 | ...... | Колпачок | 1 | |||
| 29 | ...... | Клапан | 1 | |||
| key | PART NO. | PART NAME | QTY | SERIAL NO. | REMARKS | |
| 30 | ...... | Втулка | 1 | (B) | ||
| 31 | ...... | Заглушка фитинга | 1 | (B) | ||
| 32 | ...... | Штифт | 2 | |||
| 33 | KK28346 | Прокладка | 1 | |||
| 34 | AKK18775 | Комплект крышек | 1 | USE WITH AKK16772 | ||
| 35 | KK28344 | Гайка | 1 | |||
| 36 | T158240 | Уплотнительное кольцо | 1 | |||
| 37 | ...... | Заглушка | 1 | (B) | ||
| 38 | T155729 | Уплотнительное кольцо | 1 | |||
| 39 | AKK18770 | Комплект корпуса | 1 | USE WITH AKK16772 AND AKK167 73, Includes Parts Marked (A) | ||
| key | PART NO. | PART NAME | QTY | SERIAL NO. | REMARKS | |
| AKK18771 | Комплект корпуса | 1 | USE WITH AKK16774, Inc ludes Parts Marked (A) | |||
| 40 | AKK18772 | Комплект болтов | 1 | USE WITH AKK16772 AND AKK16773 | ||
| 41 | AKK18773 | Комплект крышек | 1 | USE WITH AKK16772 AND AKK167 73, Includes Parts Marked (B) | ||
| AKK18774 | Комплект крышек | 1 | USE WITH AKK16774, Inc ludes Parts Marked (B) | |||
| 42 | AKK16772 | Гидравлический мотор | 1 | Front, W/O Sensor | ||
| AKK16773 | Гидравлический мотор | 1 | Front W/ Sensor | |||
| AKK16774 | Гидравлический мотор | 1 | Rear, 60CC |
| key | PART NO. | PART NAME | QTY | SERIAL NO. | REMARKS | |
|---|---|---|---|---|---|---|
| 1 | 19M8627 | Винт | 3 | M6 X 20 | ||
| 2 | T175376 | Стопор | 1 | |||
| 3 | T223612 | Сальник | 1 | |||
| 4 | ...... | Опора | 1 | Seal Carrier | ||
| 5 | R151088 | Уплотнительное кольцо | 1 | |||
| 6 | R27218 | Заглушка фитинга | 3 | |||
| 7 | T54904 | Штуцерное соединение | 1 | |||
| 8 | T54967 | Заглушка фитинга | 6 | |||
| 9 | N203491 | Уплотнительное кольцо | 2 | |||
| 10 | N203497 | Уплотнительное кольцо | 2 | |||
| key | PART NO. | PART NAME | QTY | SERIAL NO. | REMARKS | |
| 11 | AN202212 | Клапан | 2 | Передн. | ||
| 12 | T155744 | Стопорная гайка | 1 | |||
| 13 | ...... | Заглушка | 1 | |||
| 14 | N203490 | Уплотнительное кольцо | 1 | |||
| 15 | AT214826 | Пружина | 1 | |||
| 16 | T155743 | Тарельчатый клапан | 1 | |||
| 17 | AT214824 | Редукционный клапан | 1 | |||
| 18 | T64769 | Пробка сливного отверстия | 1 | |||
| 19 | AH123403 | Сито | 3 | |||
| 20 | AN204381 | Ограничитель | 2 | Задний ход | ||
| key | PART NO. | PART NAME | QTY | SERIAL NO. | REMARKS | |
| 21 | AT330297 | Комплект уплотнений | 1 | Уплотнение вала | ||
| 22 | T186747 | Уплотнительное кольцо | 1 | |||
| .. | AN220311 | Комплект уплотнений | 1 | Комплект уплотнений для к апитального ремонта насоса |
| key | PART NO. | PART NAME | QTY | SERIAL NO. | REMARKS | |
|---|---|---|---|---|---|---|
| 1 | R151078 | Прокладка | 1 | |||
| 2 | R150986 | Подшипник | 1 | |||
| 3 | N203486 | Втулка | 1 | |||
| 4 | T72570 | Уплотнительное кольцо | 1 | |||
| 5 | R27218 | Заглушка фитинга | 2 | |||
| 6 | AN203010 | Гидравлический фильтр | 1 | |||
| 7 | AT214861 | Лепесток | 1 | |||
| 8 | AT214860 | Распорная втулка | 1 | |||
| 9 | R151095 | Заглушка | 2 | |||
| 10 | AT214853 | Обратный клапан | 2 | |||
| key | PART NO. | PART NAME | QTY | SERIAL NO. | REMARKS | |
| 11 | 19M8123 | Винт | 1 | M8 X 45 | ||
| 12 | 24H1136 | Шайба | 1 | 11/32" X 11/16" X 0.065" | ||
| 13 | R26448 | Уплотнительное кольцо | 2 | |||
| .. | AN220311 | Комплект уплотнений | 1 | (A) |
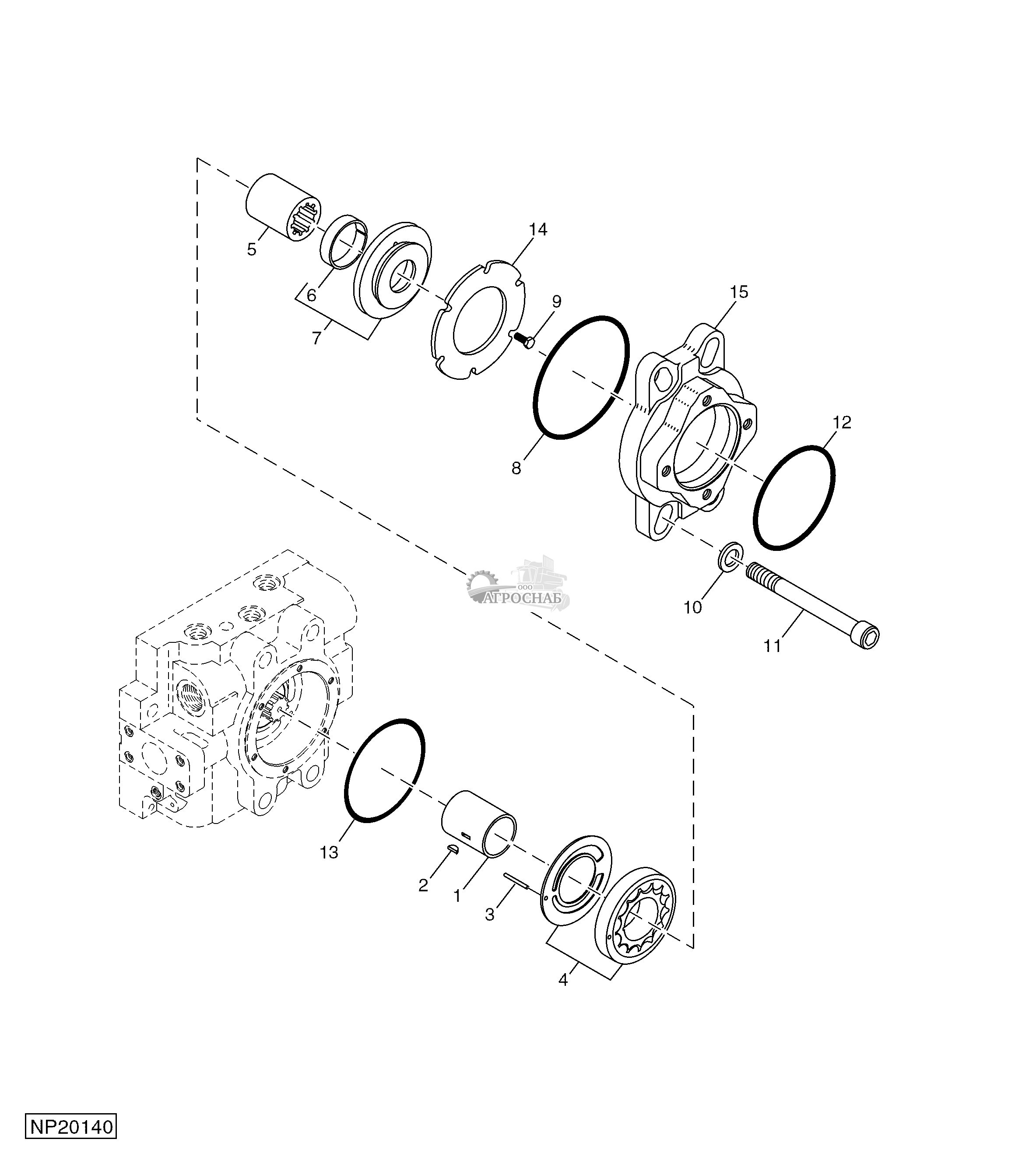
| key | PART NO. | PART NAME | QTY | SERIAL NO. | REMARKS | |
|---|---|---|---|---|---|---|
| 1 | T155678 | Ось | 1 | Привод питающего насоса | ||
| 2 | T155677 | Кнопка | 1 | |||
| 3 | R151080 | Штифт | 1 | |||
| 4 | AN203914 | Масляный насос | 1 | Комплект питающего насоса | ||
| AN220311 | Комплект уплотнений | 1 | Комплект уплотнений для к апитального ремонта насоса | |||
| 5 | T167226 | Муфта | 1 | Пер. насос | ||
| R151082 | Муфта | 1 | Задний насос | |||
| 6 | N203486 | Втулка | 1 | |||
| 7 | AN220423 | Крышка | 1 | |||
| 8 | N203952 | Уплотнительное кольцо | 1 | |||
| key | PART NO. | PART NAME | QTY | SERIAL NO. | REMARKS | |
| 9 | T155680 | Винт | 6 | |||
| 10 | T155694 | Подшипник | 4 | |||
| 11 | T210527 | Винт | 4 | |||
| 12 | U42703 | Уплотнительное кольцо | 1 | Задний насос | ||
| N203952 | Уплотнительное кольцо | 1 | Пер. насос | |||
| 13 | E66413 | Уплотнительное кольцо | 1 | |||
| T210528 | Сальник | 1 | ||||
| CB01487585 | Кольцевой уплотнитель | 1 | ||||
| 14 | N316532 | Пластина | 1 | |||
| 15 | T210526 | Фланец | 1 |
| key | PART NO. | PART NAME | QTY | SERIAL NO. | REMARKS | ||
|---|---|---|---|---|---|---|---|
| 1 | 19M7932 | Винт с головкой | 6 | M8 X 16 | |||
| 2 | R150988 | Уплотнительное кольцо | 2 | ||||
| 3 | R151097 | Уплотнительное кольцо | 2 | ||||
| 4 | RE151096 | Цилиндр | 2 | ||||
| 5 | T15509 | Пружинное кольцо | 1 | ||||
| 6 | T177595 | Стойка | 2 | ||||
| 7 | T177597 | Подшипник | 1 | ||||
| 8 | N209925 | Ось | 1 | - | 055069 | ||
| N206810 | Ось | 1 | Задний насос Z = 14 | ||||
| N206810 | Ось | 1 | 055070 | - | |||
| key | PART NO. | PART NAME | QTY | SERIAL NO. | REMARKS | ||
| 9 | R151103 | Кольцо поршня | 2 | ||||
| 10 | T68104 | Уплотнительное кольцо | 2 | ||||
| 11 | RE151101 | Комплект запасного поршня | 1 | - | 055069 | ||
| AN306667 | Цилиндр | 1 | 055070 | - | |||
| 12 | T64769 | Пробка сливного отверстия | 1 | ||||
| 13 | T155640 | Гайка | 2 | ||||
| 14 | T155641 | Винт | 6 | ||||
| 15 | T222125 | Крышка | 1 | ||||
| 16 | RE151074 | Вкладыш | 1 | ||||
| 17 | E80224 | Уплотнительное кольцо | 1 | ||||
| key | PART NO. | PART NAME | QTY | SERIAL NO. | REMARKS | ||
| 18 | T155638 | Прокладка | 2 | ||||
| 19 | R151072 | Пружина | 2 | ||||
| 20 | N317876 | Пружина | 2 | ||||
| 21 | N317877 | Пластина | 2 | ||||
| 22 | ...... | Уровень | 1 | ||||
| .. | AN220311 | Комплект уплотнений | 1 | Комплект уплотнений для к апитального ремонта насоса |
| key | PART NO. | PART NAME | QTY | SERIAL NO. | REMARKS | ||
|---|---|---|---|---|---|---|---|
| 1 | N317878 | Корпус | 1 | ||||
| 2 | H63245 | Штифт | 2 | ||||
| 3 | R151063 | Пластина | 2 | Только пер. насос | |||
| 4 | T222118 | Подшипник | 1 | ||||
| 5 | T210562 | Штифт | 1 | ||||
| 6 | R151065 | Кулиса | 1 | ||||
| 7 | AN305547 | Комплект барабанов | 1 | ||||
| 8 | ...... | Наклонная пластина | 1 | ||||
| 9 | T24199 | Шайба | 1 | ||||
| 10 | AT214874 | Крепление со штифтом | 1 | ||||
| key | PART NO. | PART NAME | QTY | SERIAL NO. | REMARKS | ||
| 11 | ...... | Рукоять | 1 | ||||
| 12 | ...... | Кулиса | 1 | ||||
| 13 | T176244 | Винт | 1 | ||||
| 14 | T222123 | Винт с головкой | 1 | ||||
| 15 | RE151064 | Вилка | 1 | ||||
| 16 | AT328865 | Цилиндр | 1 | - | 055069 | ||
| AN403430 | Блок цилиндра | 1 | 055070 | - | |||
| 17 | R151075 | Скоба | 1 | ||||
| 18 | AN220419 | Поршень | 9 | ||||
| 19 | N220940 | Направляющая | 1 | ||||
| key | PART NO. | PART NAME | QTY | SERIAL NO. | REMARKS | ||
| 20 | T177594 | Распорная втулка | 4 | ||||
| 21 | ...... | Кольцо | 1 | ||||
| 22 | T157503 | Винт | 4 | ||||
| 23 | R151099 | Подшипник | 2 | ||||
| 24 | ...... | Сиденье | 1 | ||||
| 25 | ...... | Пружина | 1 | ||||
| 26 | ...... | Стопор | 1 | ||||
| .. | AN220311 | Комплект уплотнений | 1 | Комплект уплотнений для к апитального ремонта насоса |
| key | PART NO. | PART NAME | QTY | SERIAL NO. | REMARKS | ||
|---|---|---|---|---|---|---|---|
| 1 | 19M8541 | Винт | 1 | M6 X 50 | |||
| 2 | ...... | Корпус | 1 | ||||
| 3 | R151090 | Прокладка | 1 | ||||
| 4 | AN373155 | Переключатель | 1 | - | 055069 | ||
| AN373155 | Переключатель | 1 | 055070 | - | |||
| 5 | 14M7151 | Гайка | 1 | M8 | |||
| 6 | ...... | Шайба | 1 | ||||
| 7 | T65965 | Рукоятка | 1 | ||||
| 8 | AN304810 | Пульт управления | 1 | Для переднего насоса | |||
| AT182758 | Пульт управления | 1 | Для заднего насоса | ||||
| key | PART NO. | PART NAME | QTY | SERIAL NO. | REMARKS | ||
| 9 | AT214857 | Стопор | 1 | ||||
| 10 | AT214856 | Пружина | 1 | ||||
| 11 | N203504 | Жиклер | 1 |
| key | PART NO. | PART NAME | QTY | SERIAL NO. | REMARKS | |
|---|---|---|---|---|---|---|
| 1 | 19M10333 | Винт с головкой | 2 | |||
| 2 | 14M7426 | Стопорная гайка | 2 | |||
| 3 | 24H1969 | Шайба | 4 | |||
| 4 | AT116162 | Изолятор | 4 | |||
| 5 | N303582 | Кронштейн | 1 | |||
| 6 | 19M7785 | Винт | 2 | |||
| 7 | 38H1004 | Коленчатый патрубок | 2 | |||
| 8 | R26448 | Уплотнительное кольцо | 4 | (A) | ||
| 9 | T77613 | Уплотнительное кольцо | 4 | |||
| 10 | AN302603 | Гидрошланг | 1 | |||
| key | PART NO. | PART NAME | QTY | SERIAL NO. | REMARKS | |
| 11 | ...... | Сальник | 1 | (A) | ||
| 12 | 38H1160 | Фитинг переходника | 2 | |||
| 13 | 38H1045 | Коленчатый патрубок | 1 | |||
| 14 | AN207410 | Комплект запасного поршня | 1 | |||
| 15 | AN304965 | Клапан | 1 | |||
| AN205522 | Комплект уплотнений | 1 | Includes Parts Marked (A) | |||
| 16 | AN302663 | Гидрошланг | 1 | |||
| 17 | AN305655 | Комплект оборудования | 1 | Includes Springs, Piston Spring Guide | ||
| 18 | AN302694 | Гидрошланг | 1 | |||
| 19 | AN302664 | Гидрошланг | 1 | |||
| key | PART NO. | PART NAME | QTY | SERIAL NO. | REMARKS | |
| 20 | AH77714 | Зажимная скоба | 1 | |||
| 21 | 19M7867 | Винт | 1 | |||
| 22 | E63525 | Гайка | 1 | |||
| 23 | H170527 | Шайба | 1 |
| key | PART NO. | PART NAME | QTY | SERIAL NO. | REMARKS | |
|---|---|---|---|---|---|---|
| 1 | 19M7403 | Винт с головкой | 8 | M12 X 35 | ||
| 2 | 24M7047 | Шайба | 8 | 13 X 24 X 2.500 mm | ||
| 3 | H143834 | Гайка | 2 | |||
| 4 | 19M7818 | Винт | 2 | M12 X 80 | ||
| 5 | 14M7401 | Стопорная гайка | 2 | M12 | ||
| 6 | 19M9845 | Винт | 2 | M10 X 25 | ||
| 7 | N304509 | Щиток вала привода | 1 | |||
| 8 | N311699 | Вилка универсал. шарнира | 1 | |||
| 9 | JD7760 | Смазочная арматура | 2 | |||
| 10 | AN207249 | Узел крестов. и подшипн. | 2 | |||
| key | PART NO. | PART NAME | QTY | SERIAL NO. | REMARKS | |
| 11 | W43141 | Метка | 1 | |||
| 12 | E82514 | Предупредительные знаки | 1 | |||
| 13 | AN302463 | Щиток вала привода | 1 | (Includes DC203041 Beari ng Set Powershaft Shield) | ||
| AN402497 | Щиток вала привода | 1 | (Includes DC203041 Beari ng Set Powershaft Shield | |||
| 14 | N404262 | Вилка универсал. шарнира | 1 | |||
| 15 | AN402332 | Универсальный ведущий вал | 1 |
| key | PART NO. | PART NAME | QTY | SERIAL NO. | REMARKS | |
|---|---|---|---|---|---|---|
| 1 | BNW40001 | Полный комплект д/пост. | 1 |
| key | PART NO. | PART NAME | QTY | SERIAL NO. | REMARKS | |
|---|---|---|---|---|---|---|
| 1 | BNW40003 | Полный комплект д/пост. | 1 |
| key | PART NO. | PART NAME | QTY | SERIAL NO. | REMARKS | |
|---|---|---|---|---|---|---|
| 1 | BN908647 | Колесо и шина в сборе | 1 | INCLUDES BN202353 | ||
| 2 | BN202353 | Колесо и шина в сборе | 2 |
| key | PART NO. | PART NAME | QTY | SERIAL NO. | REMARKS | |
|---|---|---|---|---|---|---|
| 1 | 19M9996 | Винт с головкой | 36 | M16 X 50 | ||
| 2 | 24M7617 | Шайба | 36 | 17 X 30 X 3 mm | ||
| 3 | AN303162 | Ступица | 1 | Rear | ||
| 4 | AN303160 | Ступица | 1 | Front | ||
| 5 | N209756 | Винт | 8 | |||
| 6 | N310828 | Тормозной диск | 1 | |||
| 7 | N209473 | Распорная втулка | 1 | |||
| 8 | AN205610 | КОЛЕСО | 1 | 320/90R46 | ||
| AN205611 | КОЛЕСО | 1 | 380/90R46 OR 420/80R46 | |||
| AN302464 | Обод | 1 | 320/90R50 | |||
| key | PART NO. | PART NAME | QTY | SERIAL NO. | REMARKS | |
| 9 | AT25226 | Шток вентиля шины | 1 | |||
| 10 | N312295 | Распорная втулка | AR | |||
| 11 | 14M7656 | Гайка | AR | M22 | ||
| 12 | N302241 | Метка | 1 | (A) | ||
| N302242 | Метка | 1 | (B) | |||
| N302243 | Метка | 1 | (C) | |||
| N315806 | Метка | 1 | (D) | |||
| N315807 | Метка | 1 | (E) | |||
| N315808 | Метка | 1 | (F) | |||
| N308340 | Метка | 1 | (G) | |||
| key | PART NO. | PART NAME | QTY | SERIAL NO. | REMARKS | |
| N308376 | Метка | 1 | (H) | |||
| N306638 | Метка | 1 | (I) | |||
| N307950 | Метка | 1 | (J) | |||
| N310214 | Метка | 1 | (K) |
| key | PART NO. | PART NAME | QTY | SERIAL NO. | REMARKS | |
|---|---|---|---|---|---|---|
| 1 | N305593 | Винт | 16 | |||
| 2 | N401958 | Заглушка | 1 | SUB FOR N316791 , Oil Level | ||
| 3 | AN304967 | Крышка | 1 | |||
| 4 | N302117 | Трак | 1 | |||
| 5 | N305600 | Распорная втулка | 1 | |||
| 6 | N316793 | Солнечное зубчатое колесо | 1 | SUB FOR N302135 | ||
| 7 | AN205593 | Планетарн. мех. в сборе | 1 | |||
| 8 | N302120 | Пружинное кольцо | 4 | |||
| 9 | AN205590 | Планетарн. мех. в сборе | 4 | |||
| 10 | N302121 | Гайка | 1 | |||
| key | PART NO. | PART NAME | QTY | SERIAL NO. | REMARKS | |
| 11 | N316790 | Корпус | 1 | |||
| 12 | N312625 | Болт | 10 | |||
| 13 | N306963 | Шлицевое соединение | 1 | |||
| 14 | AN207216 | Подшипник | 2 | |||
| 15 | L36228 | Винт | 2 | |||
| 16 | N306962 | Ступица | 1 | |||
| 17 | AN208074 | Прокладка | 1 | |||
| 18 | AN303160 | Ступица | 1 | 23.5:1 Ratio | ||
| 19 | N305595 | Кольцо | 1 | |||
| 20 | N305594 | Уплотнительное кольцо | 2 | |||
| key | PART NO. | PART NAME | QTY | SERIAL NO. | REMARKS | |
| 21 | AN208075 | Планетарн. мех. в сборе | 1 |
| key | PART NO. | PART NAME | QTY | SERIAL NO. | REMARKS | |
|---|---|---|---|---|---|---|
| 1 | N305593 | Винт | 6 | |||
| 2 | N302116 | Заглушка | 2 | |||
| 3 | AN304967 | Крышка | 1 | |||
| 4 | N302117 | Трак | 1 | |||
| 5 | N305598 | Дисковое орудие | 7 | |||
| 6 | N302119 | Солнечное зубчатое колесо | 1 | |||
| 7 | AN205589 | Планетарн. мех. в сборе | 1 | |||
| 8 | N302120 | Пружинное кольцо | 4 | |||
| 9 | AN205590 | Планетарн. мех. в сборе | 4 | |||
| 10 | N302121 | Гайка | 1 | |||
| key | PART NO. | PART NAME | QTY | SERIAL NO. | REMARKS | |
| 11 | N316790 | Корпус | 1 | |||
| 12 | N312625 | Болт | 10 | |||
| 13 | N302132 | Стопор | 2 | |||
| 14 | N302133 | Пружинное кольцо | 1 | |||
| 15 | N305600 | Распорная втулка | 1 | |||
| 16 | L36228 | Винт | 2 | |||
| 17 | AN208074 | Прокладка | 1 | |||
| 18 | N306957 | Ступица | 1 | |||
| 19 | AN208075 | Планетарн. мех. в сборе | 1 | |||
| 20 | N306959 | Ось | 1 | |||
| key | PART NO. | PART NAME | QTY | SERIAL NO. | REMARKS | |
| 21 | AN207216 | Подшипник | 2 | |||
| 22 | N302127 | Кольцо | 6 | |||
| 23 | N302128 | Уплотнительное кольцо | 2 | |||
| 24 | N302129 | Уплотнительное кольцо | 1 | |||
| 25 | N302140 | Распорная втулка | 1 | |||
| 26 | N302130 | Поршень | 1 | |||
| 27 | N302131 | Пружина | 20 | |||
| 28 | N305595 | Кольцо | 1 | |||
| 29 | N305594 | Уплотнительное кольцо | 2 | |||
| 30 | N401958 | Заглушка | 1 | SUB FOR N316791 , Oil Level | ||
| key | PART NO. | PART NAME | QTY | SERIAL NO. | REMARKS | |
| 31 | AN303162 | Ступица | 1 | 30.1:1 Ratio |